小李是一家新公司的財務人員,最近老板讓他查一下公司的納稅人識別號。小李平時處理的都是公司的賬務問題,對納稅人識別號這個問題還真有點陌生。他想著,這個號碼究竟在哪查呢?要是查錯了,影響公司的稅務登記可就麻煩了。

每個企業都有一個獨一無二的納稅人識別號,它就像我們每個人的身份證一樣,是終身不變的。那么,這個號應該怎么查呢?別著急,我來一步步告訴你。
一、怎么查納稅人識別號
要查自己的納稅人識別號,首先需要登錄個人所得稅的系統。登錄時,你需要輸入個人所得稅賬號和密碼,成功進入后,點擊首頁底部的查詢功能。

接著,在查詢頁面中,找到納稅人識別號查詢這一選項。這里需要你輸入你的身份證號、姓名和驗證碼,點擊確定后,你就能看到自己的納稅人識別號啦。
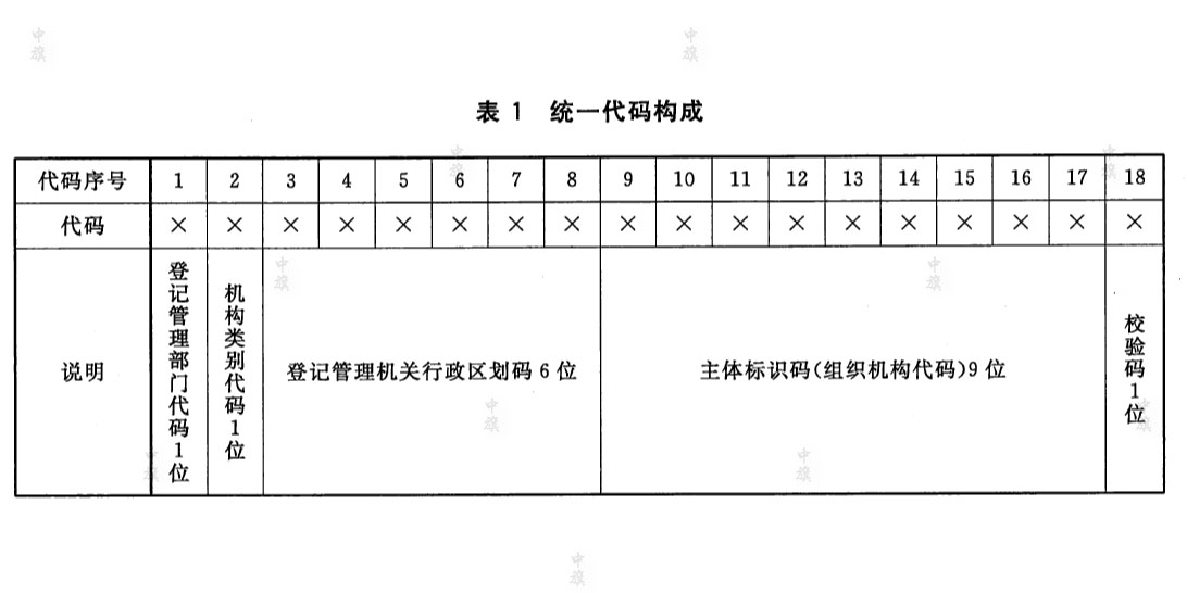
二、納稅人識別號的編碼規則
納稅人識別號的編碼其實有一定的規則,它主要有15位、17位、18位或者20位字符組成,具體來看,企業、事業單位等組織的納稅人識別號是由6位行政區劃碼加上9位國家質量監督檢驗檢疫總局編制的碼構成,一共是15位。

如果你所在的公司在北京市,那么前6位的行政區劃碼可能是110000,加上后面的9位組織機構代碼,就組成了這個企業的納稅人識別號。
再比如,個體工商戶的納稅人識別號其實就是他們的身份證號,比如小張是個體工商戶,他的身份證號是110123199012345678,那么他的納稅人識別號就是這18位身份證號。

此外,還有個小細節,18位納稅人識別號編碼時,某些容易混淆的字母是不使用的,比如I、O、Z、S、V,這點在開票時要特別注意。
通過這些編碼規則,你就能更好地理解納稅人識別號的結構和意義了。
本文鏈接: http://www.tzzlm.com.cn/mfwz/702.html 未經授權,禁止轉載。